이메일

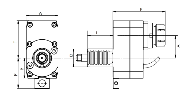
VDI 축 구동 헤드, 오프셋, DIN 1809

Y축이 짧을 때, 오프셋 리빙 툴이 보상될 필요가 있다.


도구 홀더 표준: DIN 69880

구동 커플 링: DIN 1809

포탑 크기: VDI30 VDI 40

방향: 방사형 90 deg.

출력: ER25 ER32

기어 비율: 1:2

최대 속도: 6000 RPM

냉각수: 외부, 내부 요청에 의해 만들 수 있습니다.

구매 VDI 축 구동 헤드, 오프셋, DIN 1809

VDI AXIAL DRIVEN HEAD,OFFSET, DIN 1809 사양

VDI AXIAL DRIVEN HEAD,OFFSET, DIN 1809 사양

크기VDI콜렛ABFLPTWNmRPM냉각I(rev.)
VDI30-DOAER25-50-106 DIN180930ER255040106454890781412000EXT1:2


연락처 BRIGHT-TOOLS
주소:
253000, Chongde 5th Avenue, Gaotie New District, Dezhou, 산둥 성, 중국.
무료 컨센서션 받기
밝은 도구, 밝은 미래
스카이프:
Sdjinjie101
주소 :
253000, Chongde 5th Avenue, Gaotie New District, Dezhou, 산둥 성, 중국.
빠른 링크
회사 CNC 공구 홀더 동영상 BRIGHT-TOOLS 정보 PSC 어댑터에 BT 2025-BRIGHT-TOOLS 카탈로그 DIN69880-VDI 도구 홀더 모스 도구 홀더 지루한 도구 홀더 SK에서 PSC 어댑터 PSC 어댑터에 HSK 수축 적합 기계, 표준 BMT 도구 홀더 란 무엇입니까? AG90 AGU 터닝 도구 홀더 터닝 도구 홀더 확장 된 수축 핏 척을 재고 사용할 수 있습니다. EMO Hannover-2023_copy20241023 제품 | 유압 콜렛 업그레이드 및 새로운! UM 너트와 함께 ER 콜레트 척 UM 너트와 BBT ER 콜레트 척 MTA 모스 테이퍼 ER 콜레트 척 ER 콜렛 BT 풀 스터드 B1A 방사형, 짧은, 냉각수 UM 너트와 함께 DIN 69871 ER 콜레트 척 ANSI B5.50 ER 콜렛 척 UM 너트 DIN 69893 (ISO 12164) HSK-E ER 콜레트 척 미니 너트와 함께 DIN2080 ER 콜레트 척 BMT OD 터닝 도구 홀더 HSKect 보링 바 홀더 NBT ER 콜레트 척 Hex Nut과 함께 드라이브 슬롯이없는 ER 콜레트 척 JIS B 6339 보링 도구 홀더 ER 너트-UM ER 스패너-Hex Bushing B 유형 도구 홀더 MTB 모스 테이퍼 ER 콜레트 척 보링 바 홀더를 위한 감소 슬리브 AG90-ER11 SLA 도구 홀더를 잠그는 방법 도구 홀더 얼마나 많은 클램핑 방법? SLA 도구 홀더 왜 그렇게 비싸지? 밝은 도구 도구 홀더 다른 브랜드 도구 홀더 일치 모드 변경 어댑터 도구 홀더 Adaper 설치 시간 열 기계 작동 과정 이 비디오는 우리의 공구 홀더 테이퍼 청소 기계에 대한 자세한 설명입니다. 2 조각 BT 슬림 수축 핏 척 BT 수축 척, 3 °, 슬림, 양식 A BT 수축 척, 3 °, 슬림, 양식 B BT 수축 척, 3 °, 정사이즈, 양식 A HSK-A 수축 척, 3 °, 정사이즈, 양식 A BT 수축 척, 3 °, 정사이즈, 양식 B BT 수축 척, 3 °, 정사이즈, 냉각수 BMT 축 구동 헤드, DIN 1809 TG COLLET CHUCK의 기술 도용 축소 척 확장 페이스 밀 홀더 제품 기술 도움말 밝은 도구 도구 홀더 콜렛 보링 도구 홀더 액세서리 DIN69880-VDI 냉각수 도구 홀더 2025-BT 도구 수축 적합 기계, 냉각 DIN69880-VDI 도구 홀더 댐핑 페이스 밀 홀더 댐핑 투밍 도구 홀더 통합 댐핑 마무리 보링 도구 홀더 Hex Nut과 ER Collet Chuck BT40 SFS 06 160 3 ° CNC 도구 홀더/ER 도구 홀더 ER 콜렛 세트 SK 풀 스터드 MTA 모스 테이퍼 OZ 콜레트 척 Dex Nut과 함께 DIN 69871ER 콜레트 척 ANSI B5.50 ER Collet Chuck with Hex Nut DIN 69893 (ISO 12164) HSK-E 페이스 밀 홀더 DIN2080 ER 콜렛 척 UM 너트 Hex Nut과 BBT ER 콜레트 척 B2A 방사형, 짧은, 냉각수 외부 및 얼굴 용 HSKICT 터닝 도구 SBH MS 너트와 드라이브 슬롯이없는 ER 콜렛 척 BMT 방사형 구동 헤드, DIN 1809 DIN 69871 보링 도구 홀더 ER 너트 헥스 ER 스패너-미니 Bushing J 유형 도구 홀더 도구 홀더 트롤리 표준 MTB 모스 테이퍼 OZ 콜레트 척 보링 바 홀더 SL40-20 위한 감소 슬리브 7/24 및 HSK 테이퍼 도구 홀더 용 잠금 장치 AG90-ER16 AG90-ER20 AG90-ER25 AG90-ER32 AG90-ER40 AG90-BT30 AG90-BT40 AGB-BT40 AG90-BT50 AG90-ER16X2 AG90-ER20X2 AG90-ER25X2 AG90-ER32X2 AG90-ER40X2 AG90-BT40X2 AG90-F50 AG90-F63 AG90-F80 AG90-F100 AGU-ER16 AGU-ER20 AGU-ER25 AGU-ER32 AGU-BT50 당신은 당신의 빛나는 도구 홀더 하시겠습니까? Plz 청소 장치 선택 열 수축 기계 작동 과정 축소 척 확장 슬림 HSK-A 수축 척, 3 °, 슬림, 양식 A HSK-A 수축 척, 3 °, 슬림, 양식 B HSK-E 수축 척, 3 °, 정사이즈, 양식 A HSK-A 수축 척, 3 °, 정사이즈, 양식 B 장점 회사 속보! 로봇 팔이 온다! 풀 스터드 BMT 도구 홀더 2025-SK 도구 도구 홀더 아데퍼 슬리브 수축 적합 기계, 냉각 BT 유압 척, 표준 열 수축 공구 홀더 소개 ISO 7388 풀 스터드 MTA 모스 테이퍼 페이스 밀 홀더 방사형 홀더 형태 B1 오른쪽, 짧은 미니 너트와 함께 ER 콜레트 척 미니 너트와 함께 DIN 69871 ER 콜레트 척 DIN 69893 (ISO 12164) HSK-E 웰던 엔드 밀 홀더 DIN2080 파워 밀링 척 B3A 방사형, 짧은, 냉각수 외부 및 컷오프를위한 HSKICT 터닝 도구 SBV NBT SKS 콜렛 척 UM 너트가있는 드라이브 슬롯이없는 ER 콜렛 척 BMT 더블 OD 터닝 도구 블록 DIN 69893 HSK-A 지루한 도구 홀드 고무 밀봉 콜렛 ER 너트 미니 ER 스패너-UM 도구 홀더 부싱 C 유형 도구 홀더 스탠드 7/24 테이퍼 도구 홀더 용 잠금 장치 MTB 모스 테이퍼 페이스 밀 홀더 도구 홀더 청소 장치의 작동 과정 미니 너트와 BBT ER 콜레트 척 ANSI B5.50 ER 콜레트 척, 짧은 열 수축 기계 깨진 블레이드 리무버 플랜지 도구 홀더 에이터퍼 슬리브 ER 콜레트 척, 모듈 BT 축소 핏 척 4.5 ° BT 슬림 수축 핏 척 3 ° HSK-E 수축 척, 3 °, 슬림, 양식 A HSK-E 수축 척, 3 °, 슬림, 양식 B HSK-F 수축 척, 3 °, 정사이즈, 양식 A HSK-E 수축 척, 3 °, 정사이즈, 양식 B VDI 축 구동 헤드, DIN 1809 외부와 마주 보는 터닝 도구 BBT 축소 핏 척 4.5 ° 제품 쌓기 서비스 도구 홀더 청소 장치 2025-CAT 도구 콜렛 너트 콜렉트 척, 짧은 수축 적합 기계, 냉각 표준 수축 핏 척 4.5 ° 유압 척 제품 파인 보링 헤드 트윈 커터 러프 보링 헤드, SP/SC 고양이 풀 스터드 방사형 홀더 형태 B2 왼쪽, 짧은 외부 및 얼굴 용 HSKICT 터닝 도구 SBN DIN2080 OZ 콜레트 척 트윈 커터 러프 보링 헤드, CC B4A 방사형, 짧은, 냉각수 외부 및 마주 보는 HSKICT 터닝 도구 SBT BMT 얼굴 터닝 도구 홀더 DIN 69893 HSK-F 지루한 도구 홀더 MTB 모스 테이퍼 콤비 쉘 밀 홀더 ER 너트-MS ER 스패너-MS 도구 홀더 부싱 DD 유형 도구 홀더 캐비닛 HSK-F 유압 척, 표준 도구 홀더 청소 장치 ER 콜렛 척, 짧은 DIN 69871 ER 콜레트 척, 짧은 BT 축소 핏 척 4.5 °, 냉각수 SK 슬림 수축 핏 척 3 ° HSK-F 수축 척, 3 °, 슬림, 양식 A HSK-F 수축 척, 3 °, 슬림, 양식 B VDI 방사형 구동 헤드, DIN 1809 제품 구조 제품 구조 제품 구조 솔루션 유압 척의 특징 2025-HSK-A 도구 콜렛 스패너 도구 홀더 청소 장치 제품 | APU 및 CPU 드릴 척 도구 홀더의 심층 분석 HSK-A 유압 척, 표준 BBT 파워 밀링 척 공구 홀더 CNC 도구 축소 적합 유압 척 마무리 밝은 도구 CNC 도구 OTT 풀 스터드 후크 스패너 방사형 홀더 형태 B3 거꾸로 오른쪽, 짧은 DIN 69871 파워 밀링 척 ANSI B5.50 전원 밀링 척 DIN 69893 (ISO 12164) HSK-E 스핀들 테스트 아버 DIN2080 페이스 밀 홀더 B1B4A 방사형, 짧은, 냉각수 GER 콜렛 척 BMT 보링 바 도구 홀더 JIS B 6339 브리지 보링 도구 홀더 GER 너트 Bushing Z 유형 도구 홀더 ER 밀봉 된 콜렛, 엄밀한 도구 홀더 트롤리 TL 도구 홀더 트롤리 TH 보링 도구 홀더 확장 도구 홀더 부싱 CV 유형 도구 홀더 트롤리 TD MQL1 채널 축소 피트 척 SK 수축 핏 척 4.5 ° HSK-A 슬림 수축 핏 척 3 ° VDI 축 구동 헤드, 오프셋, DIN 1809 축소 적합 도구 홀더 유압 척 표준 2025-HSK-T 도구 지루한 바 감소 소매 유압 척 특징 BRIGHT-TOOLS 축소 적합 밝은 도구 CNC 도구 홀더 패키지 ISO 풀 스터드 볼 스패너 방사형 홀더 형태 B4 거꾸로 왼쪽, 짧은 ER 밀봉 된 너트 OZ 콜레트 척 DIN2080 콤비 쉘 밀 홀더 B1B4AK 방사형, 짧은, 냉각수, 쐐기 클램핑 홀더 HSK-E 유압 척, 표준 BMT 보링 바 홀더, 내부 및 외부 냉각수 MTA 스트레이트 생크 태핑 척 DIN 69871 브리지 보링 도구 홀드 DIN 69893 브리지 보링 도구 홀드 보링 도구 홀더 감속기 BBT 파워 밀링 척 SK 파워 밀링 척 CAT 파워 밀링 척 MQL2 채널 수축 핏 척 SK 수축 핏 척 4.5 °, 냉각수 HSK-E 슬림 수축 핏 척 3 ° 수축 척 확장 냉각수 VDI 방사형 구동 헤드, 오프셋, DIN 1809 카탈로그 유압 척 파워 밀링 척 2025-NT 도구 도구 홀더 Bushing 도구 홀더 청소 장치 슬림 수축 핏 척, 3 ° 마작 BT 풀 스터드 방사형 홀더 형태 B5 오른쪽, 긴 TG 콜레트 척 DIN2080 웰던 엔드 밀 홀더 B2B3A 방사형, 짧은, 냉각수 BBT 유압 척, 표준 HSK-T 터닝 도구 DCLNR | DCLNL 95 °/80 ° 트윈 커터 러프 보링 헤드 ER 밀봉 된 콜렛 OZ 너트 BSB90 ° 보링 홀더 광장 보링 비트 광장 보링 비트가있는 TQC 45 ° 보링 홀더 Mazak CAT 풀 스터드 고양이 수축 핏 척 4.5 ° VDI 축 구동 헤드, DIN 5480 FAQ 영업 팀 2025-GOST 도구 장치 잠금 도구 홀더 유압 공구 홀더의 작동 원리 MOD 도구 홀더 BRIGHT-TOOLS CNC 부품 다리 거친 지루한 머리 방사형 홀더 형태 B6 왼쪽, 긴 정밀 스크류 콜레트 척 DIN 69871 OZ 콜레트 척 당나라와 DIN2080 모스 테이퍼 어댑터 B2B3AK 방사형, 짧은, 냉각수, 쐐기 클램핑 홀더 슬림 수축 척 확장 3 ° SK 유압 척, 표준 HSK-T 터닝 도구 PCLNR | PCLNL 95 °/80 ° SKS 너트 작은 미세 지루한 머리 NBJ20 마이크로 보링 바 BH2084 보링 도구 키트 DCK5-FB50P 마이크로 니싱 보링 키트 DCK6-FB50P 마이크로 니싱 보링 키트 고양이 수축 핏 척 4.5 °, 냉각수 2 조각 BT 슬림 수축 적합 척, 냉각수 VDI 방사형 구동 헤드, DIN 5480 HSK-A 수축 척, 3 °, 정사이즈, 냉각수 뉴스 2025-VDI 도구 JIS B 6339-BT 도구 홀더 공작 기계 전시회 2019 HSK 냉각수 튜브 두 바디 수축 핏 척의 특징 모듈 축소 피트 척 파워 밀링 척 축소 핏 척 CNC 공작 기계 액세서리 방사형 홀더 형태 B7 거꾸로 오른쪽, 긴 ANSI B5.50 TG 콜레트 척 드로우 바가있는 DIN2080 모스 테이퍼 어댑터 B5AK 방사형, 긴, 냉각수, 쐐기 클램핑 홀더 HSK-T 터닝 도구 DCMNN 50 °/80 °/50 ° ER 태핑 밀봉 된 콜렛 BT 유압 척, 슬림 HSK-A 수축 핏 척 4.5 ° VDI 축 구동 헤드, 오프셋, DIN 5480 HSK-E 수축 척, 3 °, 정사이즈, 냉각수 HSK-F 수축 척, 3 °, 정사이즈, 냉각수 연락처 JIS B 6339-BBT 도구 홀더 2018 년의 밝은 도구 전시회 클러치 드라이브 링 축소 핏 척 작동 원리 BBT SKS 콜렛 척 축소 적합 도구 스트레이트 생크 콜렛 방사형 홀더 형태 B8 거꾸로 왼쪽, 긴 ANSI B5.50 정밀 스크류 콜렛 척 DIN2080 도구 홀더 어댑터 슬리브 B6AK 방사형, 긴, 냉각수, 쐐기 클램핑 홀더 축소 적합 ER 콜레트 HSK-T 터닝 도구 PCMNN 50 °/80 °/50 ° SK 유압 척, 슬림 파워 밀링 척 HSK-A 수축 핏 척 4.5 °, 냉각수 VDI 방사형 구동 헤드, 오프셋, DIN 5480 산업 솔루션 JIS B 6339-NBT 도구 홀더 Er 도구 홀더의 런아웃 정확도를 테스트하는 방법? 2017 년의 밝은 도구 전시회 2025-BMT 도구 나사 유지 BBT 페이스 밀 홀더 도구 홀더 CNC 도구 OZ 콜레트 축 홀더 양식 C1 오른쪽 DIN 69871 SKS 콜렛 척 ANSI B5.50 페이스 밀 홀더 인치 DIN2080 드릴 척 어댑터 B7AK 방사형, 긴, 냉각수, 쐐기 클램핑 홀더 축소 적합 ER 콜레트 확장 CAT 유압 척, 슬림 HSK-E 수축 핏 척 4.5 ° VDI 축 구동 헤드, DIN 5482 검색 결과 고객 솔루션 DIN 69871-SK 도구 홀더 BRIGHT-TOOLS 연간 여행 2025 구동 도구 클램핑 키트 58 PCS 축소 용 도구 홀더 로드의 작동 단계는 다음과 같습니다. BBT 콤비 쉘 밀 홀더 SKS 콜렛 축 홀더 양식 C2 왼쪽 다시 콜레트 척 당기기 DIN 69871 페이스 밀 홀더 DIN2080 APU 드릴 척 홀더 C1C4A 축, 냉각수 축소 척 세트 HSK-T 터닝 도구 PDJNR | PDJNL 55 °/93 ° HSK 유압 척, 슬림 HSK-F 수축 핏 척 4.5 ° VDI 방사형 구동 헤드, DIN 5482 시테 맵 새로운 제품에 2016 밝은 도구 2025-SHRINK 도구 DIN 69871-ISO 도구 홀더 Balluff 데이터 캐리어 CNC 축소 핏 척 NDC 콜렛 축 홀더 양식 C3 거꾸로 오른쪽 SKS 콜렛 척 DIN 69871 콤비 쉘 밀 홀더 ANSI B5.50 엔드 밀 홀더 웰던 DIN2080 빠른 변경 두드리는 척 C1C4AK 축, 냉각수, 쐐기 클램핑 홀더 2 조각 슬림 수축 척 바디 HSK-T 터닝 도구 DDNNN 62.5 °/55 °/62.5 ° C 유압 척, 슬림 VDI 축 구동 헤드, 오프셋, DIN 5482 404 ANSI B5.50 SCAT/CAT 도구 홀더 밝은 도구 봄 나들이 도구 홀더 트롤리 2025-HY 도구 BBT 웰던 엔드 밀 홀더 축 홀더 양식 C4 거꾸로 왼쪽 DIN 69871 엔드 밀 홀더 웰던 C2C3A 축, 냉각수 2 조각 슬림 수축 척 확장 얼굴 밀 홀더 인치 냉각수 채널이있는 ANSI B5.50 엔드 밀 홀더 HSK-T 터닝 도구 PDNNN 62.5 °/55 °/62.5 ° DC 콜렛 BT 유압 척, 전원 디자인 VDI 방사형 구동 헤드, 오프셋, DIN 5482 개인 정보 보호 정책 DIN 69893 (ISO 12164) HSK-A 도구 홀더 2016 년의 밝은 도구 전시회 구동 도구 홀더 2025 지루한 도구 페이스 밀 홀더 당나라와 BBT 모스 테이퍼 어댑터 축소 적합 도구 홀더 소개 우리는 달 당 대략 30,000 - 50,000 공구 홀더를 생성할 수 있습니다 여러 좌석이있는 직사각형 홀더 양식 D1 냉각수 채널이있는 DIN 69871 엔드 밀 도구 홀더 당나라와 ANSI B5.50 모스 테이퍼 어댑터 수축 척, 3 °, 슬림, 양식 A HSK-T 터닝 도구 DDUNR | DDUNL 93 °/55 ° Cluth, Metric없이 콜렛 탭 SK 유압 척, 파워 디자인 2 조각 SK 슬림 수축 핏 척 VDI 축 구동 헤드, TOEM 제출 성공! 2025 도구 홀더 액세서리 공작 기계 홀더 여러 개의 좌석이있는 직사각형 홀더 양식 D2 반전 콤비 쉘 밀 홀더 DIN 69871 엔드 밀 홀더 휘파람 노치 ANSI B5.50 도구 홀더 어댑터 슬리브 UM 너트와 함께 DIN 69893 ER 콜레트 척 D1D2A 직사각형 홀더, 냉각수 수축 척, 3 °, 슬림, 양식 B HSK-T 터닝 도구 PDUNR | PDUNL 93 °/55 ° Cluth, 인치없이 접점을 두드리는 HSK 유압 척, 파워 디자인 VDI 방사형 구동 헤드, 토엠 타그 2025-M 도구 의료 기기 제조의 밀링 도구 홀더: 중요한 구성 요소 2025 커터 2025-반대로 진동 2025-MOD 도구 BBT 도구 홀더 어댑터 슬리브 CNC 도구 밀링/터닝 Cluth, Metric으로 콜렛 탭 인덱싱 가능한 삽입 드릴 양식 E1 용 보링 홀더 당나라와 DIN 69871 모스 테이퍼 어댑터 Dex Nut과 함께 DIN 69893 ER 콜렛 척 ARALU 컷 오프 도구 홀더, 냉각수 수축 척, 3 °, 정사이즈, 양식 A ANSI B5.50 드릴 척 어댑터 HSK-T 터닝 도구 DSBNR | DSBNL 90 °/75 ° BT 유압 척, 짧은 VDI 축 구동 헤드, 오프셋, 토엠 검색 결과 제품 메인 카탈로그 목공에서 금속 가공까지: Collet Chuck Holders의 다양성 지루한 홀더 양식 E2 드로우 바가있는 DIN 69871 모스 테이퍼 어댑터 ANSI B5.50 APU 드릴 척 홀더 미니 너트와 함께 DIN 69893 ER 콜레트 척 ALARU 절단 도구 홀더, 냉각수 수축 척, 3 °, 정사이즈, 양식 B 엔드 밀 홀더 HSK-T 터닝 도구 PSBNR | PSBNL 90 °/75 ° SK 유압 척, 쇼트 VDI 방사형 구동 헤드, 오프셋, 토엠 검색 결과 기타 하위 클래스 카탈로그 전자 제품 상승: PCB 제조에서 CNC 절단 도구 홀더 유압 도구 홀더 Cluth, 인치와 접점을 두드리는 지루한 바 홀더 양식 E2S 냉각수 채널이있는 엔드 밀 홀더 DIN 69871 도구 홀더 어댑터 슬리브 ANSI B5.50 정밀 드릴 척 홀더 DIN 69893 HSK-A 파워 척 수축 척, 3 °, 정사이즈, 냉각수 HSK-T 터닝 도구 DSSNR | DSSNL 45 °/90 ° BT 유압 척, 금형 VDI 축 구동 헤드, STEPPED HAAS CNC 도구 홀더 제조 업체: 정밀도와 품질로 의료 기기 제조 강화 BBT 정밀 드릴 척 홀더 BRIGHT-TOOLS 축소 맞춤 도구 홀더 OZ 콜레트 척 양식 E3 엔드 밀 홀더 휘파람 노치 ANSI B5.50 빠른 변경 태핑 척 DIN 69871 드릴 척 어댑터 축소 척, 곡선 HSK-T 터닝 도구 PSSNR | PSSNL 45 °/90 ° SK 유압 척, 금형 용 HSK 파워 밀링 척 VDI Radial Driven Head, STEPPED HAAS 축소 척 기술로 생산성 향상 탕과 모스 테이퍼 어댑터 DIN 69871 APU 드릴 척 홀더 ANSI B5.50 스크류 인 밀링 커터 홀더 DIN 69893 OZ 콜레트 척 ER 콜렛 척 양식 E4 HSK-T 터닝 도구 DVPNR | DVPNL 117.5 °/35 ° HSK 유압 척, 금형 MQL1 채널 길이 설정 나사 BT 축소 척, 곡선 VDI 축 구동 헤드, 오프셋, STEPPED HAAS 유압 공구 홀더 정보 서랍 막대가있는 모스 테이퍼 어댑터 DIN 69871 정밀 드릴 척 홀더 ANSI B5.50 스크류 인 밀링 커터 홀더, 스트레이트 DIN 69893 TG 콜레트 척 HSK-T 터닝 도구 DVUNR | DVUNL 93 °/35 ° SK 유압 척, 그라인드 용 더블 지루한 바 홀더, 오른쪽 MQL1 채널 냉각수 공급 세트 2 조각 SK 슬림 수축 핏 척, 냉각수 VDI 방사형 구동 헤드, 오프셋, STEPPED HAAS CNC 정밀도에서 축소 척의 역할 도구 홀더 어댑터 슬리브 BBT 런아웃 조정 가능한 플랜지 어댑터 DIN 69871 빠른 변경 태핑 척 ANSI B5.50 런아웃 조정 가능한 플랜지 어댑터 DIN 69893 정밀 스크류 콜레트 척 HSK-T 터닝 도구 DVVNN 72.5 °/35 °/72.5 ° BMT 드라이브 헤드, DIN 1809 MTB 유압 척 더블 보링 바 홀더, 왼쪽 MQL2 채널 길이 설정 나사 고성능 가공의 축소 척 모스 테이퍼 어댑터 형태 F 드릴 척 어댑터 DIN 69871 스크류 인 밀링 커터 홀더 ANSI B5.50 UM 조정 가능한 도구 홀더 DIN 69893 풀백 콜레트 척 HSK-T 터닝 도구 DWLNR | DWLNL 95 °/80 ° VDI 드라이브 헤드, DIN 1809 MQL2 채널 냉각수 공급 세트 유압 척, 모듈 HSK-A 축소 척, 곡선 축소 척의 장점 탐색 APU 드릴 척 홀더 수축 도구 홀더 란 무엇입니까? 직사각형 빈 형태 A1 DIN 69871 스크류-밀링 커터 홀더, 스트레이트 ANSI B5.50 ATC 팔 정렬 도구 DIN 69893 SKS 콜렛 척 HSK-T 터닝 도구 PWLNR | PWLNL 95 °/80 ° VDI 드라이브 헤드, DIN 5480 밀봉 된 유압 콜렛 축소 핏 척, 모듈 HSK-E 축소 척, 곡선 성공을위한 축소: 항공 우주 제조에서 척 축소 정밀 드릴 척 홀더 열 수축 도구 홀더의 정확도 검사 둥근 빈 형태 A2 DIN 69871 런아웃 조정 가능한 플랜지 어댑터 ANSI B5.50 보링 바 공백 DIN 69893 페이스 밀 홀더 유압 밀봉 콜렛 VDI 드라이브 헤드, DIN 5482 HSK-F 축소 척, 곡선 Tight Tolerances를 넘어서: 항공 우주 공학의 축소 적합 콜렛 BBT 스핀들 테스트 아버 축소 적합 도구 홀더 절단 도구 홀더 오른쪽 높이 조정 가능 빠른 변경 태핑 척 DIN 69871 UM 조정 가능한 도구 홀더 ANSI B5.50 스핀들 테스트 아버 DIN 69893 페이스 밀 홀더 HSK-T 터닝 도구 DDQNR | DDQNL 107.5 °/55 °, 긴 VDI 구동 헤드, TOEM BARUFFALDI 냉각수 채널과 유압 콜렛 축소 핏 콜렛: 자동차 생산 정밀 혁신 스크류 인 밀링 커터 홀더 축소 적합 척 수축 도구 홀더 절단 도구 홀더 왼쪽 높이 조정 가능 DIN 69871 지루한 바 공백 DIN 69893 콤비 쉘 밀 홀더 HSK-T 터닝 도구 PDQNR | PDQNL 107.5 °/55 °, 긴 VDI 구동 헤드, STEPPED HAAS ANSI B5.50 ATC 팔 정렬 도구 수축 핏 콜렛: 정밀 가공 혁신 유압 척 도구 홀더 절삭 공구 홀더 거꾸로 된 오른쪽 높이 조정 가능 DIN 69871 스핀들 테스트 아버 DIN 69893 엔드 밀 홀더 웰던 스크류 인 밀링 커터 홀더, 스트레이트 HSK-T 터닝 도구 SCLCR | SCLCL 95 °/80 ° 2 조각 HSK-A 슬림 수축 핏 척 건설 및 인프라의 축소 적합 콜렛 런아웃 조정 가능한 플랜지 어댑터 축소 적합 도구 보유 절단 도구 홀더 거꾸로 된 왼쪽 높이 조정 가능 ATC 팔 용 DIN 69871 정렬 도구 냉각수 채널을 가진 DIN 69893 엔드 밀 홀더 HSK-T 터닝 도구 SCMCN 50 °/80 °/50 ° UM 조정가능한 DIN 69893 엔드 밀 홀더 휘파람 노치 HSK-T 터닝 도구 SDHCR | SDHCl 107.5 °/55 ° ATC 팔 용 SK 정렬 도구 열 수축 도구 홀더의 분류 CMM 검사 동적 균형 보호 플러그 형태 Z2 ATC 팔 정렬 도구 HSK-T 터닝 도구 SDNCN 62.5 °/55 °/62.5 ° 유압 척, 모듈 IMTS 2024 지루한 바 공백 드로우 바가있는 DIN 69893 모스 테이퍼 어댑터 HSK-T 터닝 도구 SDJCR | SDJCL 93 °/55 ° 축소 핏 척 열 수축 도구 홀더의 원리와 장점 스핀들 테스트 아버 DIN 69893 도구 홀더 어댑터 슬리브 HSK-T 터닝 도구 SDUCR | SDUCL 93 °/55 ° 유압 척 유압 홀더의 성능 및 적용 DIN 69893 APU 드릴 척 홀더 HSK-T 터닝 도구 SSBCR | SSBCL 75 °/90 ° ATC 팔 BT 정렬 도구 ER 콜렛 척 특징 및 유형 BRIGHT-TOOLS BMT 도구 홀더 유압 공구 홀더의 가공 과정 DIN 69893 정밀 드릴 척 홀더 HSK-T 터닝 도구 SSSCR | SSSCL 45 °/90 ° 2 조각 HSK-A 슬림 수축 적합 척, 냉각수 도구 홀더 청소 장치 엔드 밀 홀더 터닝 센터 및 구동 도구 홀더 고성능 구동 도구 홀더는 어떻습니까? ER 콜렛 척 BRIGHT-TOOLS 축소 핏 척 DIN 69893 빠른 변경 태핑 척 HSK-T 터닝 도구 SVPBR | SVPBL | SVPCR | SVPCL 117.5 °/35 ° 도구 홀더 HSK E50 도구 홀더의 작동 원리 HSK 도구 홀더의 종류 도구 홀더 아데퍼 슬리브 ER 콜렛 DIN 69893 스크류 인 밀링 커터 홀더 HSK-T 터닝 도구 SVUBR | SVUBL | SVUCR | SVUCL 93 °/35 ° 전력 밀링 척의 장점 및 응용 분석 수축 맞는 기계 ER 공구 홀더는 어떻게 처리되고 사용됩니까? DIN 69893 스크류-밀링 커터 홀더, 스트레이트 HSK-T 터닝 도구 SVVBN | SVVCN 72.5 °/35 °/72.5 ° 축소 적합 수집의 장점 및 응용 DIN 69893 런아웃 조정 가능한 플랜지 어댑터 HSK-T 터닝 도구 SVJBR | SVJBL | SVJCR | SVJCL 93 °/35 ° 초보자가 알아야 할 구동 도구 보유자의 특성 및 기능 DIN 69893 UM 조정 가능한 도구 홀더 HSK-T 터닝 도구 긴 SDQCR | SDQCL 107.5 °/55 ° 유압 척의 특성은 무엇입니까? 유압 척의 작동 원리는 어떻게 작동합니까? ATC 팔 용 DIN 69893 정렬 도구 HSK-T 터닝 도구 긴 SVQCR | SVQCL 107.5 °/55 ° 유압 콜렛 설치의 응용 프로그램 금기 DIN 69893 지루한 바 공백 2 조각 HSK-E 슬림 수축 핏 척 축소 적합 도구 홀더 란 무엇입니까? DIN 69893 스핀들 테스트 아버 2 조각 HSK-F 슬림 수축 핏 척 열 수축 도구 홀더의 혁신적인 설계 및 응용 금형 가공에 열 수축 홀더 적용 CNC 홀더 선택 DIN 69893 (ISO 12164) HSK-E 도구 홀더 CNC 터닝에서 VDI 도구 홀더 사용의 장점 CNC 가공 도구 홀더 유압 척 DIN 69893 (ISO 12164) HSK-F 도구 홀더 유압 홀더의 응용 시나리오 DIN69893 (ISO12164-1)-HSK-T 도구 홀더 유압 홀더에 대한 지식 포인트 요약 축소 핏 척 BRIGHT-TOOLS DIN2080-NT 도구 홀더 유압 홀더: 제조를위한 고정밀 도구 CNC 기계 센터를 위한 BRIGHT-TOOLS 축소 핏 콜레트 도구 홀더 GOST 25827-93 도구 홀더 CNC 홀더와 관련된 지식 유압 밀링 척 다양한 유형의 도구 홀더의 성능 비교 축소 핏 척 열 수축 도구 손잡이가 어떤 모습인지 아십니까? GOST 25827-93 ER 콜레트 척 BBT 도구 홀더 구조 설계 및 CNC 공작 기계에 적용 GOST 25827-93 파워 밀링 척 열 수축 도구 홀더를 위한 안전한 작동 및 유지 보수 절차 GOST 파워 밀링 척 회전 도구 홀더 및 유압 홀더의 차이점 및 응용 분석 열 수축 도구 홀더의 분류는 무엇입니까? BT와 BBT 도구 보유자의 차이점 열 수축 도구 홀더의 수축 적합 척 분류 GOST 25827-93 페이스 밀 홀더 유압 홀더의 작동 원리 및 안전한 작동 GOST 25827-93 콤비 쉘 밀 홀더 열 수축 도구 홀더의 원리와 장점 DIN 69893 (ISO 12164) HSK-F ER 콜레트 척 GOST 25827-93 웰던 엔드 밀 홀더 HSK 도구 홀더를 사용할 때 처리 안전을 보장하는 방법? DIN 69893 (ISO 12164) HSK-F OZ 콜레트 척 Tang과 GOST 25827-93 모스 테이퍼 어댑터 HSK 도구 홀더의 구조 및 장점 DIN 69893 (ISO 12164) HSK-F 페이스 밀 홀더 GOST 25827-93 Morse 테이퍼 어댑터 (Drawbar 포함) HSK 도구 홀더: 효율적인 가공을위한 비밀 무기 DIN 69893 (ISO 12164) HSK-F 웰던 엔드 밀 홀더 GOST 25827-93 APU 드릴 척 홀더 열 수축 도구 홀더의 최소 클램핑 길이는 얼마입니까? 축소 척 도구 홀더 공작 기계 액세서리 DIN 69893 (ISO 12164) HSK-F 모스 테이퍼 어댑터 GOST 25827-93 빠른 변경 태핑 척 VDI 툴홀더의 기능 및 중요성 열 수축 도구 소지자는 어떻게 작동합니까? DIN 69893 (ISO 12164) HSK-F 정밀 드릴 척 홀더 유압 도구 홀더: 고정밀 가공을위한 탁월한 선택 DIN 69893 (ISO 12164) HSK-F 보링 바 공백 정적 및 구동 도구 밝은 도구: 도구 홀더 제조의 리더 DIN 69893 (ISO 12164) HSK-F 스핀들 테스트 아버 지루한 도구 HSK 냉각수 튜브의 표준 및 기능 반대로 진동 CIMT2025 중국 국제 기계 쇼 도구 홀더 액세서리 BT 홀더와 SK 도구 홀더의 차이점 기계 열 수축 도구 홀더의 장점 및 원리 SK 도구 홀더의 특징 및 장점 DIN 69880 VDI 도구 홀더: 고정밀 가공을위한 이상적인 선택 HSK 도구 홀더 디자인 대 DIN 69871 도구 홀더: 진짜 차이점은 무엇입니까? EMO 2025 부스 제 4 호, D58 호 각도 헤드 유압 척이 CNC 수명을 더 쉽게 만드는 방법 CNC 애플리케이션을위한 다른 HSK 도구 홀더 유형을 식별하는 방법 PSC 서비스
밝은 도구, 밝은 미래
스카이프: :
Sdjinjie101
주소 :
253000, Chongde 5th Avenue, Gaotie New District, Dezhou, 산둥 성, 중국.